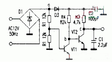
圖l所示電路是一個最簡輸入正弦交流電信號變為鋸齒波電信號的電路。鋸齒波電信號的頻率為正弦交流電信號頻率的2倍。且與之嚴格同步,非常適合作可控硅交流調壓的觸發脈沖信號以及直流電機調速電路的控制信號。
電路由整流橋D1。將50Hz電壓進行全波整流后,得到頻率為100Hz的脈動直流電壓Ua,其波形如圖2中Ua所示,峰值Um約為1.4Ua。該峰值電壓經Rl與112分壓后,為三極管VT1提供基極電流Ib1,只要Ua的分壓大于VTI的門限電壓Ube1,VT1便呈飽和導通狀態,集電極與發射極間飽和壓降很小(一般為0.3~0.4V左右),三極管VT2無法導通,其集電極與發射極間呈阻斷狀態。
與此同時,直流電壓Um經R3給C1充電。C1上的電位便按照RC積分特性曲線上升,并達到Um的0.631倍為止,由此構成鋸齒波的正程;當Ua下降到VT1的門限電壓Ube1以下時,VT1由導通轉為截止,VT2由截止轉為導通,對電容C1進行快速放電,使C1上的電壓由0.631Um迅速降至0.4V左右(VT2集電極發射極間飽和壓降),這一過程便是鋸齒波電壓的逆程。波形如圖2中Uc所示。


在圖l電路中,電阻R3和電容C1的積與鋸齒波電壓波形關系很大。取值合適,鋸齒波電壓的線性就好,反之。則線性變差。為了得到較小的逆程時間和線性較好的正程鋸齒波電壓,電容C1取0.47μF~2.2μF,電阻R3取22kΩ4.7kΩ,使R3Cl=1/2f=0.01秒(f為交流電壓的頻率。即=50Hz)為佳。因為鋸齒波正程線性和鋸齒波電壓幅值主要受R3C1積的影響。若R3Cl的積過大,則鋸齒波電壓幅值降低;若R3C1的積過小,則鋸齒波正程線性變差、波峰平頂區域加大。鋸齒波逆程時間的長短受三極管VT2輸出特性及電容C1容量的影響最大。同時,R4的大小對其也有一定的影響,電容C1容量過大,逆程時間增大,對VT2的沖擊也大,凡過小時。將影響VT2對C,的放電速度。
圖2中所示波形Ua、Ub及Uc是按照示波器對圖l電路進行實測而繪制的。當電源為12V交流電壓時。Ua峰值約為16V,谷值為0V;Ub峰值為0.7V左右(因受VT2基射極鉗位)。谷值為0.4V左右;Ue峰值約為9.5V,谷值約為0.4V。正程時間約8.5ms,平頂寬度及谷底寬度各為0.5ms左右,逆程時間約0.5ms。各元件參數選取原則:
R1=(U-0.07)/Ib1, R2=1~1.2R1,R3=1/2fc1,R4=5~8R1,三極管VT2、VT2的共發射極直流放大倍數為100~150,其中,Ib1=1.5~2mA,f=50Hz。

烜芯微專業制造二極管,三極管,MOS管,橋堆等20年,工廠直銷省20%,4000家電路電器生產企業選用,專業的工程師幫您穩定好每一批產品,如果您有遇到什么需要幫助解決的,可以點擊右邊的工程師,或者點擊銷售經理給您精準的報價以及產品介紹

烜芯微專業制造二極管,三極管,MOS管,橋堆等20年,工廠直銷省20%,4000家電路電器生產企業選用,專業的工程師幫您穩定好每一批產品,如果您有遇到什么需要幫助解決的,可以點擊右邊的工程師,或者點擊銷售經理給您精準的報價以及產品介紹

