N溝道增強型場效應管知識
N溝道增強型場效應管結構如下圖所示:

N溝道增強型
連接 s 極和襯底,在 s 和 g 之間施加正向電壓 Ugs,如下圖所示:

排斥
此時,正電壓排斥襯底中的空穴,使靠近金屬的襯底形成負離子層;同時,PN 結正向偏執,N 中的自由電子吸引到負離子層。
此時,在 s 和 d 之間形成了一個 N 型溝道,稱為反型層,如下圖所示:

反型層
能夠使溝道形成的電壓稱為開啟電壓,表示為 UGS。
溝道形成后,在 d 和 s 之間加正電壓,d 會有電流產生。如下圖所示:

漏電流
但是,當 d 和 s 間電壓增大時,g 和 d 間電壓減小,d 極 PN 結偏置被減弱,溝道開始變窄,直至當 Uds = UGS 時,出現夾斷,稱為預夾斷,如下圖所示:

預夾斷
此時,再增加 d 、s 間電壓,電流也不會有明顯變化。
N溝道增強型場效應管輸出特性曲線如下圖所示:

輸出特性曲線
在可變電阻區,Ugs 和 Uds 都會對輸出漏電流產生影響。而在恒流區,僅 Ugs 對漏電流產生影響。
值得一提的是,當 MOS 管處于恒流區時,漏電流相當于一個由 Ugs 控制的電流源。
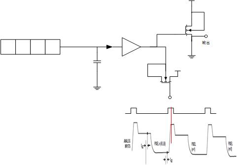
在 CCD 的讀出中,使用到了這一結構:

CCD
這與「CCD 的輸出相當于電流源」的結論吻合。

三極管2
上圖中第二個三極管(下)用于清空電平,當三極管導通,s 極電子流向 d。反映在三極管的輸出信號上,g 為高電平時,就是 CCD 輸出信號參考電平前的峰值。

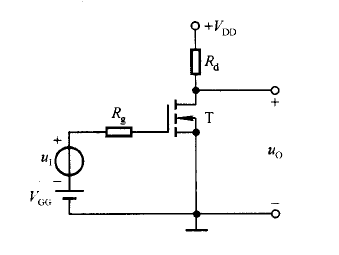
共源極放大電路
上圖為經典的共源極放大電路。
烜芯微專業制造二極管,三極管,MOS管,橋堆等20年,工廠直銷省20%,4000家電路電器生產企業選用,專業的工程師幫您穩定好每一批產品,如果您有遇到什么需要幫助解決的,可以點擊右邊的工程師,或者點擊銷售經理給您精準的報價以及產品介紹
烜芯微專業制造二極管,三極管,MOS管,橋堆等20年,工廠直銷省20%,4000家電路電器生產企業選用,專業的工程師幫您穩定好每一批產品,如果您有遇到什么需要幫助解決的,可以點擊右邊的工程師,或者點擊銷售經理給您精準的報價以及產品介紹

