IGBT模塊的內部電路與IGBT單管及分立元件構成的電路形式略有不同。
1.單管模塊,1 in 1模塊
單管模塊的內部由若干個IGBT并聯,以達到所需要的電流規格,可以視為大電流規格的IGBT單管。受機械強度和熱阻的限制,IGBT的管芯面積不能做得太大,大電流規格的IGBT需要將多個管芯裝配到一塊金屬基板上。單管模塊外部標簽上的等效電路如圖1所示,副發射極(第二發射極)連接到柵極驅動電路,主發射極連接到主電路中。


圖1 單管,模塊的內部等效電路
多個管芯并聯時,柵極已經加入柵極電阻,實際的等效電路如圖2所示。不同制造商的模塊,柵極電阻的阻值也不相同;不過,同一個模塊內部的柵極電阻,其阻值是相同的。


圖2 單管模塊內部的實際等效電路圖
IGBT單管模塊通常稱為1 in 1模塊,前面的“1”表示內部包含一個IGBT管芯,后面的“1”表示同一個模塊塑殼之中。
2.半橋模塊,2 in 1模塊
半橋(Half bridge)模塊也稱為2 in 1模塊,可直接構成半橋電路,也可以用2個半橋模塊構成全橋,3個半橋模塊也構成三相橋。因此,半橋模塊有時候也稱為橋臂(Phase-Leg)模塊。
圖3是半橋模塊的內部等效。不同的制造商的接線端子名稱也有所不同,如C2E1可能會標識為E1C2,有的模塊只在等效電路圖上標識引腳編號等。


圖3 半橋模塊的內部等效電路
半橋模塊的電流/電壓規格指的均是其中的每一個模塊單元。如1200V/400A的半橋模塊,表示其中的2個IGBT管芯的電流/電壓規格都是1200V/400A,即C1和E2之間可以耐受最高2400V的瞬間直流電壓。
不僅半橋模塊,所有模塊均是如此標注的。
3.全橋模塊,4 in 1模塊
全橋模塊的內部等效電路如圖4所示。


圖4 全橋模塊內部等效電路
全橋(Full bridge)模塊也稱為4 in 1模塊,用于直接構成全橋電路;也可以用模塊中的2個半橋電路并聯構成電流規格大2倍的半橋模塊,即將分別將G1和G3、G2和G4、E1和E3、E2和E4、E1C2和E3短接。
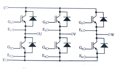
4.三相橋模塊,6 in 1模塊
三相橋(3-Phase bridge模塊的內部等效電流如圖5所示。


圖5 三相橋模塊的內部等效電路
三相橋模塊也稱為6 in 1模塊,用于直接構成三相橋電路,也可以將模塊中的3個半橋電路并聯構成電流規格大3倍的半橋模塊。三相橋常用的領域是變頻器和三相UPS、三相逆變器,不同的應用對IGBT的要求有所不同,故制造商習慣上會推出以實際應用為產品名稱的三相橋模塊,如3-Phase inverter module(三相逆變器模塊)等。
5.PIM模塊,CBI模塊,7 in 1模塊
歐美廠商一般將包含圖6所示的7 in 1模塊稱為CBI模塊(Converter-Brake-Inverter Module,整流-剎車-逆變)模塊,日系廠商則習慣稱其為PIM模塊。


圖6 7 in 1模塊內部的等效電路
制造商一般都會分別給出模塊中個功能單元的參數,表1 是IXYS的MUBW 15-12 T7模塊的主要技術規格。
表1 MUBW 15-12 T7的主要技術規格
三相整流橋 斷路器 三相逆變器 NTC

其中,斷路器和三相逆變器給出的都是IGBT管芯的技術規格,具體含義參見第3章相關內容;三相整流橋的參數含義如下。
·VRRM:最大反向峰值電壓,峰值,其中一個二極管的電壓規格最大值。
·IFAVM:最大正向平均電流,最大整流電流,與結溫或環境溫度有關。
·IFSM:最大正向浪涌電流,最大正向峰值電流,與結溫或環境溫度有關。
NTC的技術參數含義如下。
· R25:額定零功率電阻值,NTC的冷態電阻值,電阻本體溫度為25℃時的電阻值,典型值。R25就是NTC熱敏電阻的標稱電阻值。通常所說“NTC多少阻值”指的就是R25。
· B25/50:熱敏常數,NTC 電阻材料的電阻—溫度特性,25/50 表示電阻本體的溫度分別為25℃和50℃。根據 R25和B25/50;。可以計算出R50,計算公式如下:

烜芯微專業制造二極管,三極管,MOS管,橋堆等20年,工廠直銷省20%,上萬家電路電器生產企業選用,專業的工程師幫您穩定好每一批產品,如果您有遇到什么需要幫助解決的,可以點擊右邊的工程師,或者點擊銷售經理給您精準的報價以及產品介紹

烜芯微專業制造二極管,三極管,MOS管,橋堆等20年,工廠直銷省20%,上萬家電路電器生產企業選用,專業的工程師幫您穩定好每一批產品,如果您有遇到什么需要幫助解決的,可以點擊右邊的工程師,或者點擊銷售經理給您精準的報價以及產品介紹

