雙向可控硅是一種功率半導體器件,也稱雙向晶閘管,在單片機控制系統中,可作為功率驅動器件,由于雙向可控硅沒有反向耐壓問題,控制電路簡單,因此特別適合做交流無觸點開關使用。雙向可控硅接通的一般都是一些功率較大的用電器,且連接在強電網絡中,其觸發電路的抗干擾問題很重要,通常都是通過光電耦合器將單片機控制系統中的觸發信號加載到可控硅的控制極。為減小驅動功率和可控硅觸發時產生的干擾,交流電路雙向可控硅的觸發常采用過零觸發電路。過零觸發是指在電壓為零或零附近的瞬間接通。由于采用過零觸發,因此上述電路還需要正弦交流電過零檢測電路。
1 過零檢測電路
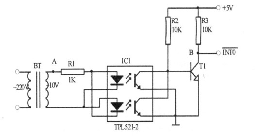
電路設計如圖1 所示,為了提高效率,使觸發脈沖與交流電壓同步,要求每隔半個交流電的周期輸出一個觸發脈沖,且觸發脈沖電壓應大于4V ,脈沖寬度應大于20us.圖中BT 為變壓器,TPL521 - 2 為光電耦合器,起隔離作用。當正弦交流電壓接近零時,光電耦合器的兩個發光二極管截止,三極管T1基極的偏置電阻電位使之導通,產生負脈沖信號,T1的輸出端接到單片機80C51 的外部中斷0 的輸入引腳,以引起中斷。在中斷服務子程序中使用定時器累計移相時間,然后發出雙向可控硅的同步觸發信號。過零檢測電路A、B 兩點電壓輸出波形如圖2 所示。


圖1 過零檢測電路


圖2 A、B 兩點電壓輸出波形
2 過零觸發電路
電路如圖3 所示,圖中MOC3061 為光電耦合雙向可控硅驅動器,也屬于光電耦合器的一種,用來驅動雙向可控硅BCR 并且起到隔離的作用,R6 為觸發限流電阻,R7 為BCR 門極電阻,防止誤觸發,提高抗干擾能力。當單片機80C51 的P1. 0 引腳輸出負脈沖信號時T2 導通,MOC3061 導通,觸發BCR 導通,接通交流負載。另外,若雙向可控硅接感性交流負載時,由于電源電壓超前負載電流一個相位角,因此,當負載電流為零時,電源電壓為反向電壓,加上感性負載自感電動勢el 作用,使得雙向可控硅承受的電壓值遠遠超過電源電壓。雖然雙向可控硅反向導通,但容易擊穿,故必須使雙向可控硅能承受這種反向電壓。一般在雙向可控硅兩極間并聯一個RC阻容吸收電路,實現雙向可控硅過電壓保護,圖3 中的C2 、R8 為RC 阻容吸收電路。


圖3 過零觸發電路
3 結束語
雙向可控硅過零觸發電路主要應用于單片機控制系統的交流負載控制電路,可以控制電爐、交流電機等大功率交流設備,經過實踐證明工作安全、可靠。本文重點介紹了過零檢測、觸發電路。至于軟件設計比較簡單,當過零檢測電路檢測到過零時產生中斷請求,只要在中斷服務程序中通過單片機80C51 的P1. 0 引腳發出觸發脈沖即可觸發雙向可控硅導通,限于篇幅,在這里就不再贅述。
電話:18923864027(同微信)
QQ:709211280
〈烜芯微〉專業制造二極管,三極管,MOS管,橋堆等20年,工廠直銷省20%,上萬家電路電器生產企業選用,專業的工程師幫您穩定好每一批產品,如果您有遇到什么需要幫助解決的,可以點擊右邊的工程師,或者點擊銷售經理給您精準的報價以及產品介紹
電話:18923864027(同微信)
QQ:709211280
〈烜芯微〉專業制造二極管,三極管,MOS管,橋堆等20年,工廠直銷省20%,上萬家電路電器生產企業選用,專業的工程師幫您穩定好每一批產品,如果您有遇到什么需要幫助解決的,可以點擊右邊的工程師,或者點擊銷售經理給您精準的報價以及產品介紹

