我們知道MOS管并聯均流使用,原因是MOS管的電流特性比較穩定,并且在并聯時可以通過電阻進行均流。
在使用MOS管進行功率放大時,一般為了增加輸出功率,我們會將多個MOS管并聯使用。
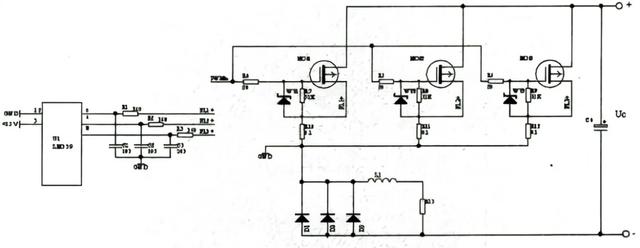
并聯方法:將多個MOS管的柵極、源極、漏極分別連接在一起,從而形成一個并聯電路。


3只MOS管并聯試驗
并聯均流的工作分析
1)在MOS管并聯均流電路設計中,每個MOS管的電流負載需要相等,確保電流在各個管子之間均勻分配;每個MOS管的驅動電路需要相同,保證一致的工作狀態。
這種電路設計可以提高電路的可靠性和效率。
2)其次每個MOS管的阻值也應該相等,若其中一個管子的阻值較小,它將承擔更多的電流,導致管子過熱和故障。因此在設計電路中我們需要注意,盡量選擇相同型號的MOS管。
3)最后重點考慮MOS管的散熱問題。每個MOS管會工作過程中承擔一部分電流,因此它們之間都會產生一定的熱量。如果其中一個MOS管分擔了相對較多的電流,它發熱會更厲害,導致長期隱患。
如果散熱不良,或者環境條件不佳,它們可能會因為過熱導致損壞。我們可以通過采取散熱片、風扇等外在條件進行改善。
當然,選擇質量好的MOS管也是十分重要的,在這里可以推薦烜芯微的MOS管產品,能較高匹配適應電路設計中的各種需求。
烜芯微的MOS管在電路設計中的優點:
1、開關速度快,驅動功率?。?/div>
2、體積小、重量輕、壽命長;
3、噪聲小,輸入電阻高,熱穩定性好,抗干擾能力較強,功耗較低。

〈烜芯微/XXW〉專業制造二極管,三極管,MOS管,橋堆等,20年,工廠直銷省20%,上萬家電路電器生產企業選用,專業的工程師幫您穩定好每一批產品,如果您有遇到什么需要幫助解決的,可以直接聯系下方的聯系號碼或加QQ/微信,由我們的銷售經理給您精準的報價以及產品介紹

〈烜芯微/XXW〉專業制造二極管,三極管,MOS管,橋堆等,20年,工廠直銷省20%,上萬家電路電器生產企業選用,專業的工程師幫您穩定好每一批產品,如果您有遇到什么需要幫助解決的,可以直接聯系下方的聯系號碼或加QQ/微信,由我們的銷售經理給您精準的報價以及產品介紹
聯系號碼:18923864027(同微信)
QQ:709211280
相關閱讀

