8814A,8814A場效應管參數,8814A芯片參數,8814A引腳圖資料
8814A場效應管,雙NMOS管8814A參數資料,8814A引腳圖,8814A芯片參數中文資料規格書PDF
8814A場效應管,雙NMOS管8814A參數資料,8814A引腳圖,8814A芯片參數中文資料規格書PDF

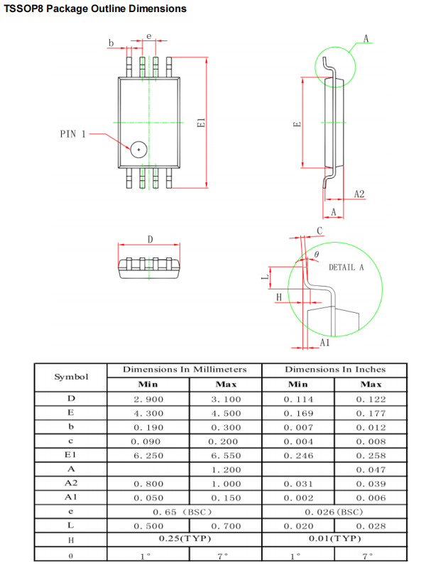
8814A/TSSOP8封裝參數:點擊查看

8814A場效應管芯片參數具體如下:
極性:NPN
Drain-Source Voltage 漏源電壓Vds:20V
Gate-Source Voltage 柵源電壓Vgs:±12V
Continuous Drain Current 漏極電流Id Tc=25℃:8A
Power Dissipation 功率損耗Pd Ta=25℃:1.63W
Power Dissipation 功率損耗Pd Ta=70℃:W
Static Drain-Source On-Resistance 導通電阻ID=3.5A,VGS=4.5V: Typ 10mΩ Max 13mΩ
Static Drain-Source On-Resistance 導通電阻ID=3.5A,VGS=2.5V:Typ 13mΩ Max 17mΩ
Junction and Storage Temperature Range 溫度范圍:-55~+150℃
8814A場效應管TSSOP8封裝尺寸:

〈烜芯微/XXW〉專業制造二極管,三極管,MOS管,橋堆等,20年,工廠直銷省20%,上萬家電路電器生產企業選用,專業的工程師幫您穩定好每一批產品,如果您有遇到什么需要幫助解決的,可以直接聯系下方的聯系號碼或加QQ/微信,由我們的銷售經理給您精準的報價以及產品介紹
聯系號碼:18923864027
QQ:709211280


